Domestic EESS, island mode and island mode isolator

Hello,
I need some help please Slight smile

I am trying to understand if an 'Island mode' isolator is required for this particular inverter design.

The Solar PV Hybrid inverter has an 'EPS' (emergency power supply) output that we would like to use.
The inverter has an internal N-PE Bond relay.
In connected mode this takes its power direct from the grid.
In island mode the Hybrid inverter will have disconnected from the grid as per G98/99, and then the EPS is supplied from PV and/or battery.

So if the inverter is designed to disconnect from the grid during grid loss/outside protection limits is either an Automatic or manual changeover switch required?

Parents Reply Children
  • Is it a case of confirming the inverters relays are multipole (switching both phase and neutral), tested for low leakage currents (<5mA)  

    Contact gap also is important ... we are reliant on product standards for this ... relays don't appear in Table 537.4, and certainly in the past relay standards don't cover 'isolation' requirements. I'm not sure whether any relay standards have been, or are being, developed to address this.

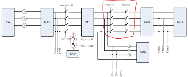
  • So for a configured system where the inverter’s EPS setup powering a dedicated consumer unit, are we also required to install an external to the inverter, automatic, Line & N  island mode isolator on the inverter’s incoming side to ensure, auto disconnection of all live conductors during island mode, to comply with 826.1.1.1  and ESQCR Regulation 21? I can’t quite make out the image above, are both relays part on the inverter?

  • So for a configured system where the inverter’s EPS setup powering a dedicated consumer unit, are we also required to install an external to the inverter, automatic, Line & N  island mode isolator on the inverter’s incoming side to ensure, auto disconnection of all live conductors during island mode, to comply with 826.1.1.1

    Only where the inverter, or kit of parts provided, doesn't include such a device. It's up to the manufacturer how they approach the issue.

    Other countries don't have ESQCR, and systems and legislation varies around the world ... even in Europe.

    In a global market, manufacturers may not be aware of UK legislation, although I agree they should investigate fully prior to coming to market (or, for importers, before importing to the UK ... or any other country for that matter).

    "Buyer beware".

  • So, purchasing a MCS registered inverter would likely meet UK-standards - 7671 & ESQCR for safe disconnection of live conductors (including neutral) no external device required for EPS mode

  • So, purchasing a MCS registered inverter would likely meet UK-standards - 7671 & ESQCR for safe disconnection of live conductors (including neutral) no external device required for EPS mode

    You would have to ask MCS about their criteria, and whether it covers island mode capability.

  • If Manufacturers have confirmed relays ( BS EN 60947-5-1) doesn’t meet Table 537.4’s isolation requirements. Have you asked the manufacturer to provide evidence that the relay meets isolation criteria, is it combined with another switching device to achieve safety compliance in the UK market ? 

    A note from electrical design of a domestic battery storage system- island mode switching arrangement: Because network arrangements, conditions and legislative provisions are different in every country, it might not be possible to use certain features of certain international battery enabled inverter products. Other products might require installation of additional UK specific compatible equipment to provide some functionality

  • So for a configured system where the inverter’s EPS setup powering a dedicated consumer unit, are we also required to install an external to the inverter, automatic, Line & N  island mode isolator on the inverter’s incoming side to ensure, auto disconnection of all live conductors during island mode, to comply with 826.1.1.1

    As I understand it, EPS mode is normally "automatic" - i.e. keeps the power on continuously to the critical loads - so there's little or no opportunity for manually operating a simple isolator at the appropriate time. Any automatic scheme (e.g. a appropriately rated contactor) would need some kind of signal to operate it - and if we're not trusting the inverter to disconnect reliably where can we get such a signal from?

       - Andy.

  • Yes I agree on the EPS operation. single-phase voltage monitoring relay can control contactor to open on grid voltage loss, isolating the inverter’s line and neutral in,  to prevent backfeed during EPS mode. 

  • But if the inverter fails to disconnect from the mains - won't it'll keep up the very voltage the voltage monitoring relay is looking at? (presuming it's a nice clean break on the supply side with little or no other loads present on your side of the break - maybe unlikely on a conventional power cut, but could arise if your service cable is severed or a deliberate disconnection (say at your cutout). 

      - Andy. 

  • Hi Andy. Was thinking along the lines of a combination of both a inverter’s safety features, its G99-certified anti-islanding protection (disconnection <0.5s via relay and active/passive methods) and an external contactor that together to try and meet the isolation requirements. While the inverter ensures rapid disconnection to prevent back-feeding, an external contactor compliant with BS 7671 Table 537.4 (per Regulation 537.2.2.1, referenced by 826.1.1.1) provides the necessary mechanical isolation for maintenance and grid worker safety under ESQCR Regulation 21. Do most inverters now comply with isolation requirements of 7671 when transferring to EPS ? Then no additional devices are required.