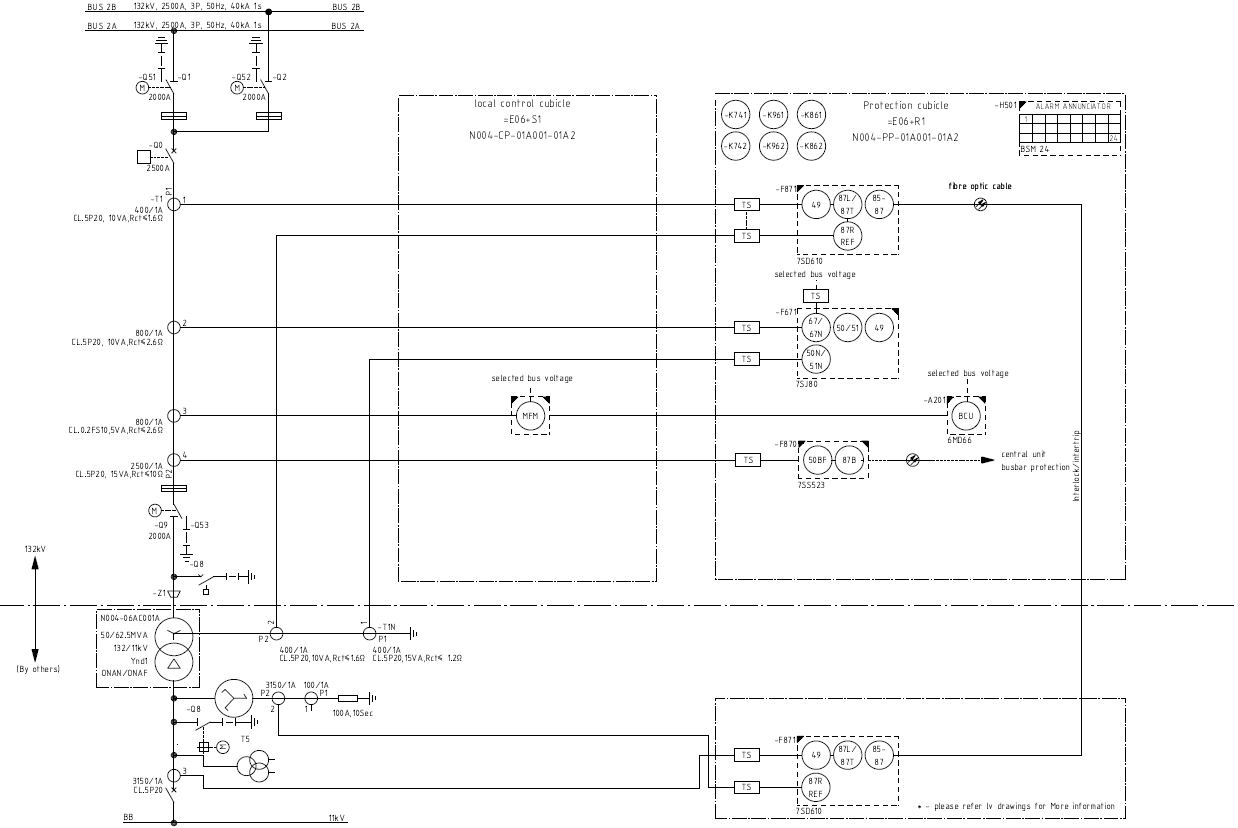
This is an issue I've noticed all across Iraq, but I'll give you an example that I'm currently working on. We have a 132/11 kV YNd1 transformer, the primary is fed from a GIS, and secondary has a Zigzag NET with NER and a CT on the neutral point. this CT is used for REF protection.
when we operated this transformer frequent tripping happens due to REF protection, some people say that this is due to grid instability and frequent voltage variation, others say that it's related to the current entering the neutral point due to instability. I'm not convinced by those claims and I think there's a deeper issue or reason.
Please note that this is common around Iraq, so it might be related to the grid (in some places REF is disabled), but what I want to know is the reason behind this phenomenon.
